
产品市场market
产品分类Classify

串联谐振试验设备在进行耐压试验中实际应用有哪些,如下说明:
①利用串联谐振产生工频高电压,应用在高电压技术中,为变压器等电力设备做耐压试验,可以有效的发现设备中危险的集中性缺陷,是检验电气设备绝缘强度的最有效和最直接的方法。
②在无线电工程中,常常利用串联谐振以获得较高的电压。
L1:接收天线
L2与C:组成谐振电路
L3:将选择的信号送接收电路
天线线圈接收不同频率的信号,就会在L2端产生不同频的感应电动势。
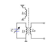
收音机接收电路(一般称为调谐电路):
原理图如下:

L1:接收天线
L2与C:组成谐振电路
L3:将选择的信号送接收电路
天线线圈接收不同频率的信号,就会在L2端产生不同频的感应电动势。
变频串联谐振是运用串联谐振原理,利用励磁变压器激发串联谐振回路,调节变频控制器的输出频率,使回路电感L和试品C串联谐振。在生产生活中主要应用在变电站、电厂、耐压设备、干式变压器、油浸式变压器、充气式变压器、互感器等相关试验中的实际应用
上一篇:漏电保护器的检测周期是多久?
下一篇:降低接地电阻的阻值方法有哪几种?