
产品市场market
产品分类Classify

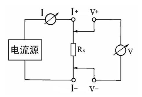
HNDT-10A接地引下线导通测试仪采用电流电压法测试原理,也称四线法测试技术,原理方框图见图1。

图1: 测试原理图
由电流源经“I+、I-两端口(也称I型口),供给被测电阻Rx电流,电流的大小有电流表I读出,Rx两端的电压降“V+、V-”两端口(也称V型口)取出,由电压表V读出。通过对I、V的测量,就可以算出被测电阻的阻值。
由上图可看出,接地引下线导通测试仪采用的是四端子法测量,因此可消除导线电阻和接触电阻带来的误差。
下一篇:直流电阻测试仪操作注意事项