
产品市场market
产品分类Classify

GTB干式试验变压器产品输入电压为200V或400V利用电磁感应原理根据需要改变输入电压,即可获得输出高压从零伏连续可调到额定的最高值。在作直流耐压及泄漏电流测试时,只要把高压硅堆旋装在高压输出端,即可改变输入电压,从而获得不同值的直流高压输出。
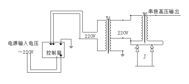
本系列产品的具体工作原理见图(1),当用作串级使用时,其联线方式见图(2)。

图(1)原理图

图(2)联线方式示意图
注:1.若干式试验变压器上A、B接反,会造成高压输出为零(T1+T2=0)将A、B换位即可。
上一篇:变压器变比组别测试仪主要技术参数